Eigentlich betreibe ich keinen Modellbau. Ich wurde aber gebeten, einige Komponenten für Modellbau-Elektronik zu entwickeln bzw. die Programme für die dabei verwendeten AVR-Mikrocontroller zu schreiben. Eines dieser Projekte ist der:

Modellbau-Fahrtregler für Auto-Modelle...

Die Schaltung ist recht einfach. Herzstück ist ein ATMEL-AVR vom Typ AT90S2313. Seine Anschlusspins sind wie folgt belegt:
  • Pin 01: /Reset (3k3 gegen +VCC)
  • Pin 02: PD0 Kanalimpuls Fahrwerk
  • Pin 03: PD1 Kanalimpuls Lenkung (parallel zum Servo)
  • Pin 04: Quarz 8MHz
  • Pin 05: Quarz 8MHz
  • Pin 06: PD2 Kanalimpuls Schalter 1 (Warnblinker, Licht)
  • Pin 07: PD3 Kanalimpuls Schalter 2 (Hupe, Blaulicht)
  • Pin 08: PD4 Rückfahrlicht und PullDown-R gegen GND, Prog-Taste gegen +VCC
  • Pin 09: PD5 Bremslicht (Prog-Dialog-LED) und Pulldown-R gegen GND
  • Pin 10: GND
  • Pin 11: PD6 PWM für Relaisumschaltung
  • Pin 12: PB0 PWM vorwärts für Brücke
  • PIN 13: PB1 PWM rückwärts für Brücke
  • Pin 14: PB2 Relais für rückwärts
  • Pin 15: PB3 Schaltkanal 3a (Hupe)
  • Pin 16: PB4 Schaltausgang 3b (Blaulicht oder andere Funktion)
  • Pin 17: PB5 Blinklicht links
  • Pin 18: PB6 Blinklicht rechts
  • Pin 19: PB7 Schaltkanal 2b (Licht)
  • Pin 20: +VCC
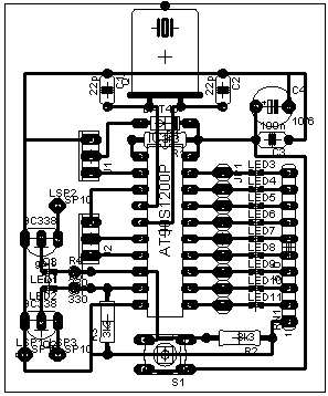
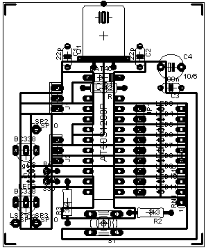
Zum Test wurde eine Testplatine angefertigt, die LEDs bzw. eine externe H-Brücke ansteuern kann. Das Schaltbild zeigt die Testplatinen-Schaltung. Da die ersten Versuche mit dem AT90S1200 erfolgten, wurde das Layout für diesen Typ erstellt. Der AT90S2313 hat aber identische Anschlussbelegung, weshalb das Layout nicht überarbeitet wurde. Es ist halt nur eine Testplatine, eine finale Fahrtreglerplatine ist noch nicht entwickelt.

Der Aufbau der Leistungsstufe zum Betreiben des Motors bleibt dem Anwender überlassen, es steht für eine H-Brücke ein PWM-Impulsausgang für Vorwärtsfahrt und ein PWM-Impulsausgang für Rückwärtsfahrt zur Verfügung. Für Betrieb mit nur einem Schalttransistor und Umspolrelais steht ein weiterer PWM-Ausgang und ein Relais-Steuerausgang zur Verfügung. Die PWM-Impulse sind dabei positiv, die PWM-Frequenz beträgt etwa 2200 Hz.

Die Testplatine wurde für Oberflächenbestückung der gefrästen Platine konzipiert. Das erste Bild zeigt die Leiterzüge, das mittlere die zu fräsenden Trennlinien, das letzte die fertig aufgebaute Platine. Da es eine Testplatine zum Debuggen der Software ist, sind für alle Ausgänge (SMD-) LEDs vorgesehen. Eine finale Fahrtreglerplatine enthält stattdessen Leistungsstufen für Motor und Schaltausgänge. Einige Bauteile standen als SMD zur Verfügung, andere wurden trotz bedrahteter Bauform auch auf die Oberfläche gelötet. Das ergibt einen soliden Aufbau, der an der Unterseite nicht isoliert werden muss, da dort weder Bauteile, noch Leiterzüge oder Lötstellen sind.

Software:


Parameterprogrammierung:

Da die Impulsbreiten verschiedener RC-Anlagen etwas unterschiedlich sind, bietet der Fahrtregler die Möglichkeit, an die Anlage angepasst zu werden. Dazu werden Parameter wie Neutralpunkt, Vollgas und Fahrtrichtung als numerische Werte im EEPROM gespeichert.

Stellt man "Neutral" auf die eine Endstellung des Steuerknüppels und "Voll voraus" auf die andere, so hat man zwar feinere Fahrstufen, aber keinen Rückwärtsgang und auch eine langsamere PWM-Frequenz.
Gibt man sinnlose Werte ein (z. B. beide gleich), so trägt man selbst die Schuld, wenn der Steller streikt. Durch erneute Programmierung sinnvoller Werte macht man ihn wieder funktionsfähig...


Das Programm darf nicht ohne meine schriftliche Einwilligung kommerziell benutzt werden. Gegen Nutzung in Einzelstücken Marke Eigenbau habe ich nichts einzuwenden.

Die Benutzung geschieht auf eigene Gefahr. Es wird also keinerlei Haftung für Schäden übernommen, die durch den Einsatz dieses Mikrocontroller-Programms entstehen könnten.

hannes@hanneslux.de